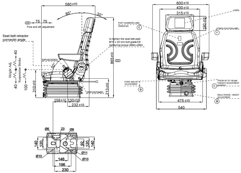
| Приостановка | : | Узкая механическая подвеска | |
| Раздвижная база | : | Передняя и задняя части. Регулировка 250 мм (шаг 15 мм) | |
| ход подвески | : | 100 мм (четыре пружины и гидравлический амортизатор) | |
| Регулировка высоты | : | 80 мм | |
| Регулировка веса | : | 50-130кг. | |
| Регулировка спинки | : | Назад 30° | Передняя часть 85° | |
| Регулировка поясницы | : | Вариант | |
Рисунок

Інформація для замовлення
- Ціна: 13 880 ₴


